

Stainless Steel Systems
PEMKO Barn Track Hardware Systems
The PEMKO Stainless Steel Sliding Track Hardware System provides a stylish and modern way to hang sliding glass or wood doors, typically used in facilities where space is at a premium.
Perfect for offices, hotel rooms and multi-family units, the Stainless Steel Sliding Track Hardware System is available with ten styles of door hangers and three finishes to complement any decor.
The system suites beautifully with products from other ASSA ABLOY Group companies, including architectural door pulls and accessories from Rockwood Manufacturing.
All mounting and installation hardware is conveniently packaged as kits in two standard track lengths.

- Designs
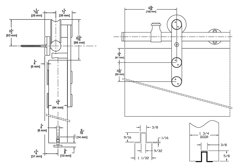
- Specifications
- Downloads
W70 - alternate top strap

Close
W70 - alternate top strap
Door weight: up to 240 lbs.
Hanger height: 4-1 ⁄16"
Hanger height: 4-1 ⁄16"
W80 - tubular top strap

Close
W80 - tubular top strap
Door weight: up to 176 lbs.
Hanger height: 4-1 ⁄4"
Hanger height: 4-1 ⁄4"
W90 - spoked wheel top strap

Close
W90 - spoked wheel top strap
Door weight: up to 176 lbs.
Hanger height: 5-3 ⁄16"
Hanger height: 5-3 ⁄16"
W100 - heavy duty straight strap

Close
W100 - heavy duty straight strap
Door weight: up to 198 lbs.
Hanger height: 3-13 ⁄16"
Hanger height: 3-13 ⁄16"
G70 - alternate straight strap

Close
G70 - alternate straight strap
Door weight: up to 240 lbs.
Hanger height: 3-11 ⁄16"
Hanger height: 3-11 ⁄16"
G80 - tubular straight strap

Close
G80 - tubular straight strap
Door weight: up to 198 lbs.
Hanger height: 3-11 ⁄16"
Hanger height: 3-11 ⁄16"
G90 - spoked wheel straight strap

Close
G90 - spoked wheel straight strap
Door weight: up to 198 lbs.
Hanger height: 4-1/16"
Hanger height: 4-1/16"
G100 - heavy duty alternate strap

Close
G100 - heavy duty alternate strap
Door weight: up to 198 lbs.
Hanger height: 3-5/8"
Hanger height: 3-5/8"









